幕墙基础知识培训资料












































































































热通道空气流动示意图





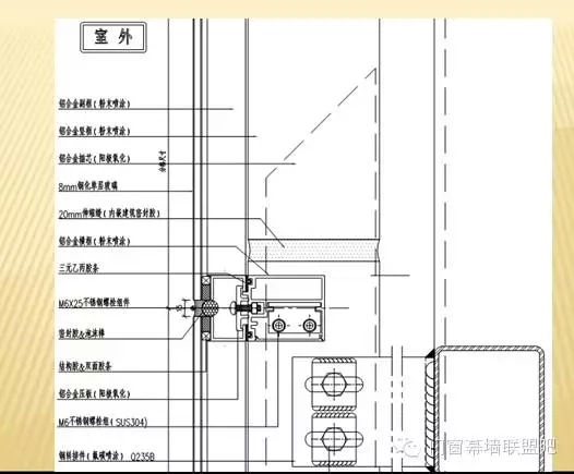
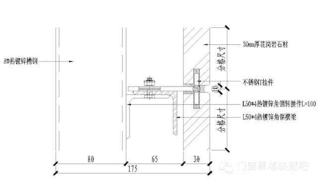
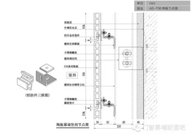
T不锈钢挂件


不锈钢挂件
不锈钢挂架横剖



铝合金挂件

铝合金挂件挂件

铝合金挂件
通槽


























原理图


光伏发电并网示意图

1、光伏电池系统
光伏电池主要分为:单晶硅、多晶硅和薄膜电池。其中单晶硅光电转换效率最高,多晶硅其次,薄膜最低(a-Si非晶硅,CdTe碲化镉,CIS铜铟硒)。





光伏幕墙角度和朝向


多种形式的结合,满足建筑的美观要求。
先进材料的应用,体现高科技成果与建筑的完美结合。

光伏建筑一体化(BIPV)形式

光伏建筑一体化(BIPV)形式







双层金属板幕墙系统-类似参考案例
钢结构菱形点支式双曲面金属板罩蓬

标准节点

◇金属屋面部分:刚性防水系统---局部大样效果图

◇金属屋面部分:刚性防水系统---安装步骤

◇金属屋面部分:刚性防水系统---安装步骤




















